Ford Ecosport Owners and Service Manuals

Ford Ecosport: Automatic Transmission - 6-Speed Automatic Transmission – 6F35 / Description and Operation - Forward Clutch Assembly

Forward (1, 2, 3, 4) Clutch Exploded View

Item Description
1 Transmission case
2 Center support
3 Forward (1, 2, 3, 4) clutch piston
4 Forward (1, 2, 3, 4) clutch piston return spring
5 Forward (1, 2, 3, 4) clutch piston snap ring retainer
6 Forward (1, 2, 3, 4) clutch piston snap ring
7 Forward (1, 2, 3, 4) clutch wave spring
8 Forward (1, 2, 3, 4) clutch
9 Forward (1, 2, 3, 4) clutch pressure plate
10 Forward (1, 2, 3, 4) clutch snap ring
11 Front sun gear and shell assembly

Forward (1, 2, 3, 4) Clutch Cutaway View

Forward (1, 2, 3, 4) Clutch Mechanical Operation

The forward clutch is a brake clutch that holds the front sun gear and shell assembly. The forward clutch is applied in 1st, 2nd, 3rd and 4th gears.

Hydraulic pressure from the regulator valve in the valve body pushes the forward clutch piston against the forward clutch pack to apply the clutch. The front sun gear and shell assembly is held stationary to the transmission case as a result of the clutch being applied.

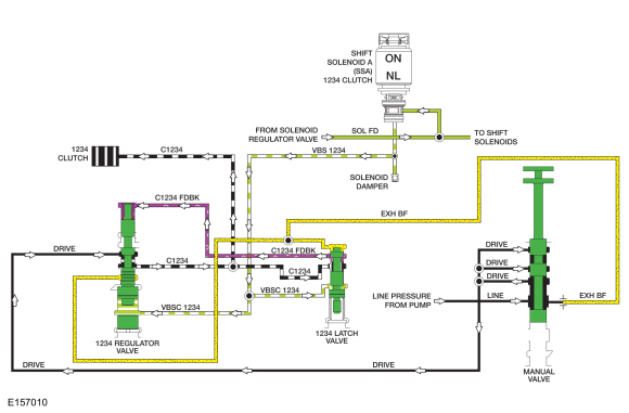
Forward (1, 2, 3, 4) Clutch Hydraulic Circuits (Applied in 1st, 2nd, 3rd and 4th gear)

Line pressure is supplied to the 1234 regulator valve by the manual valve in the DRIVE and LOW position. To apply the forward (1, 2, 3, 4) clutch, SSA supplies varying solenoid pressure to the 1234 regulator and latch valves. As the regulator valve moves, it supplies the forward (1, 2, 3, 4) clutch and 1234 latch valve with regulated line pressure through the C1234 circuit. The 1234 latch valve directs the regulated line pressure to the opposite side of the 1234 regulator valve through the C1234 FDBK circuit for gradual forward (1, 2, 3, 4) clutch engagement. The forward (1, 2, 3, 4) clutch is applied in 1st, 2nd, 3rd and 4th gears and manual LOW position.

Forward (1, 2, 3, 4) Clutch Hydraulic Circuits (Released)

When the forward (1, 2, 3, 4) clutch is released in 5th and 6th gears, solenoid pressure from SSA is removed from the 1234 regulator and latch valves which positions the valves to block line pressure and release the forward (1, 2, 3, 4) clutch. When the forward (1, 2, 3, 4) clutch is released in the PARK, REVERSE or NEUTRAL position, line pressure is not supplied to the forward (1, 2, 3, 4) regulator valve.

In the released position, exhaust backfill supplied to the 1234 regulator and latch valves by the manual valve through the EXH BF circuit is directed to the forward (1, 2, 3, 4) clutch to fill the unused circuits with unpressurized transmission fluid.

For details on valve body hydraulic circuits and solenoid operation.
For additional information, refer to: Transmission Description - System Operation and Component Description (307-01B Automatic Transmission - 6-Speed Automatic Transmission – 6F35, Description and Operation).

    Description and Operation - Transmission Description - System Operation and Component Description

    S..

    Description and Operation - Direct Clutch Assembly

    Direct (3, 5, R) Clutch Exploded View Item Description 1 Direct clutch cylinder snap ring 2 Direct clutch cylinder 3 Direct clutch piston 4 Direct clutch piston return spring 5 Direct clutch piston seals 6 ..

    Other information:

    Ford Ecosport 2014-2026 Service and Repair Manual: Diagnosis and Testing - Pinpoint Test - DTC: C, Vehicles With: Rear Seat Side Airbag


    B0004:11, B0004:12, B0004:13, B0004:1A Refer to Wiring Diagrams Cell 46 for schematic and connector information. Normal Operation and Fault Conditions The RCM continuously monitors the driver knee airbag circuits for the following faults: Resistance out of range Unexpected voltage Short to ground Faulted driver knee airbag If a fault is de..

    Ford Ecosport 2014-2026 Service and Repair Manual: General Procedures - Fluorescent Dye Leak Detection - Vehicles With: R1234YF Refrigerant


    Special Tool(s) / General Equipment UV Leak Detector Electronic Leak Detector Leak detection Vehicles with air conditioning Review next note for important refrigerant system dye information. NOTE: Fluorescent refrigerant system dye is added to the refrigerant system at the factory to assist in refrigerant system leak diagnosis using a ..

    Categories

    Removal and Installation - Wheel Knuckle Bushing

    Special Tool(s) / General Equipment

    Hydraulic Press

    Removal

    NOTE: Removal steps in this procedure may contain installation details.

    Remove the wheel knuckle.
    Refer to: Wheel Knuckle - Vehicles With: Rear Drum Brakes (204-02B Rear Suspension - AWD, Removal and Installation).
    Remove the rear toe adjustment retainers and remove the wheel knuckle mounting bracket.
    Torque:
      Stage 1:  177 lb.in (20 Nm)
      Stage 2:  76 lb.ft (103 Nm)

    read more

    Copyright © 2026 www.foecosport2.com