Ford Ecosport Owners and Service Manuals

Ford Ecosport: Automatic Transmission - 6-Speed Automatic Transmission – 6F35 / Description and Operation - Torque Converter Clutch (TCC)

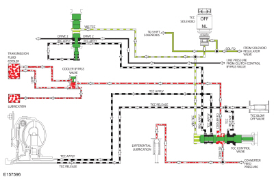
TCC Hydraulic Circuits

1 Inspect the pump to transmission case hydraulic passages and seals.
2 Inspect the transmission case to main control hydraulic passages.
3 Inspect the main control hydraulic passages.

Torque Converter Clutch (TCC) and Lubrication Circuits TCC Released

Pressure for TCC release is supplied by the main pressure regulator valve to the TCC control valve through the CONV FD circuit. The CONV FD circuit also supplies lubrication for the differential. When the TCC is released, the TCC control valve is positioned by the TCC solenoid to direct CONV FD pressure to the TCC RELEASE circuit to release the TCC . TCC RELEASE pressure returns to the TCC control valve through the TCC APPLY circuit. The position of the TCC control valve opens the TCC APPLY circuit to the COOLER FD circuit which allows the transmission fluid returned from the torque converter to cycle through the thermal bypass valve circuit when the TFT is below 80°C-93°C (176°F-200°F) or the transmission fluid cooler when the temperature is above 80°C-93°C (176°F-200°F).

Return transmission fluid from the thermal bypass valve or the transmission fluid cooler supplies transmission lubrication through the LUBE circuit which runs through the input shaft.

The position of the TCC control valve is controlled by pressure from the TCC solenoid through the VBS TCC circuit. The TCC solenoid is controlled by the PCM .

Torque Converter Clutch (TCC) and Lubrication Circuits TCC Applied

When the TCC clutch is applied, the TCC solenoid applies pressure to the TCC control and regulator valves to position the valves to apply the TCC clutch. Regulated line pressure is supplied to the TCC control valve through the REG APPLY circuit by the TCC regulator valve. The TCC control valve directs the regulated line pressure from the REG APPLY circuit to the TCC APPLY circuit to apply the TCC . The v control valve blocks the TCC RELEASE circuit to maintain pressure in the TCC APPLY circuit. The TCC control valve directs the CONV FD circuit to the COOLER FD circuit to allow the transmission fluid to flow through the thermal bypass valve or the transmission fluid cooler to the LUBE circuit to lubricate the transmission.

    Description and Operation - Low One-Way Clutch Assembly

    ..

    Description and Operation - Main Control Valve Body

    Item Description 1 Transmission internal wiring harness frame 2 Main control valve body 3 Check balls (3 required) 4 Solenoid damper SSA 5 Solenoid body-to-valve body separator plate 6 ..

    Other information:

    Ford Ecosport 2014-2026 Service and Repair Manual: Diagnosis and Testing - Pinpoint Test - DTC: AQ, Vehicles With: Rear Seat Side Airbag


    B1404:11, B1404:12, B1404:13, B1404:1A Refer to Wiring Diagrams Cell 46 for schematic and connector information. Normal Operation and Fault Conditions The RCM continuously monitors the driver side airbag circuits for the following faults: Resistance out of range Unexpected voltage Short to ground Faulted driver side airbag If a fault is d..

    Ford Ecosport 2014-2026 Service and Repair Manual: Removal and Installation - Second Row Seat Side Airbag


    Removal   WARNING: The following procedure prescribes critical repair steps required for correct restraint system operation during a crash. Follow all notes and steps carefully. Failure to follow step instructions may result in incorrect operation of the restraint system and increases the risk of serious personal injury or death in a crash.   WARNING: Front s..

    Categories

    Description and Operation - Health and Safety Precautions

    General Service Warnings

    Review carefully the information below before beginning any repair. Following these warnings is a list of specific system warnings that must be reviewed before beginning work on any listed system.

      WARNING: Wear eye and ear protection when servicing a vehicle. Failure to follow this instruction may result in serious personal injury.

    read more

    Copyright © 2026 www.foecosport2.com